1
/
of
1
1SVR430029R0100 ABB - ADP.01
1SVR430029R0100 ABB - ADP.01
Regular price
$0.00 USD
Regular price
Sale price
$0.00 USD
Unit price
/
per
Shipping calculated at checkout.
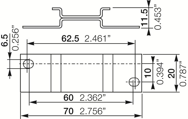
ADP.01 Adapter for screw-mounting 22.5mm
Couldn't load pickup availability
Share
